In den letzten Jahren ist die Anzahl der vielen Handfunkgeräten deutlich gestiegen, allerdings hat man so den Eindruck, dass selbst bei namhaften Herstellern die Qualität der Modulation in den Keller ging. Da verlangt der Hersteller mit dem großen Y und dem christlichen Klang im Namen stolze 80 Euro für ein einfaches Dual-Handfunkgerät, dessen Modulation zum Schämen ist.


Bei einem Funkgerät für 20 Euro aus dem Land des Lächelns würde einen das nicht wundern, aber so?
Mir ging das bei meinem teuren Gerät auf den Zeiger und ich sendetet es zum Upgrad an einen OM, der sich darauf spezialisiert hat, solchen Nuscheltüten auf die Sprünge zu helfen. 34 Euro plus Versand sind nicht gerade wenig, aber ein Funkgerät, mit dem man keinen Betrieb macht, ist auch nicht der Bringer! Also Gerät verpackt, verschickt und nach 3 Tagen bekam ich ein edel lautklingendes Gerät zurück.
Doch jetzt hat meine Begeisterung für kleine Handfunkgeräte wieder eines der ganz günstigen Handfunkgerät aus China auf meinen Tisch geliefert. Das Baofeng UV5 Mini, das in der Optik was hergibt, aber halt wieder eine Nuscheltüte ist. So getrübt der Freude macht das auch keinen Spaß, also an die Arbeit gemacht, auch hier der Modulation Beine zu machen. Doch dieses Mal wollte ich es selber machen und nicht jemand Fremdes beauftragen.

Okay, einiges selber machen.
Vielleicht auch nur den Einbau des Verstärkers. Oder vielleicht auch nur eine neue Kapsel?

Also startete ich der Reihe nach mit dem geringsten Aufwand und nahm von Anfang an meinen Funkfreund Stavi, DG3SEG mit ins Boot, der sich in Sachen Modulation und deren Modifikation besten auskennt. Er war der Meinung, daß nur eine neue Kapsel wahrscheinlich nichts bringen würde. Aber ich war skeptisch und so kleine Teile kosten ja nicht die Welt. Schnell bestellt, schnell geliefert und der erste Umbau stand vor der Türe.
Also die originale Kapsel rauslöten und eine neue Kapsel einlöten. Das ging einfacher als ich dachte und war schnell umgesetzt. Doch auch die neue Kapsel hat nicht wirklich eine Veränderung gebracht. Ja, man hatte das Gefühl, die Modulation wäre etwas heller geworden, aber das könnte auch an der inneren Erwartungshaltung gelegen haben. Also auch wieder nichts…
Ein Verstärker muss her


Und so meldete sich mein Funkfreund Stavi mit einer Lösung für das Gerät. Er hatte sich nämlich auch das Baofeng UV-5R Mini zugelegt und sich gleich im Internet auf die Suche nach einer Umbauanleitung gemacht.
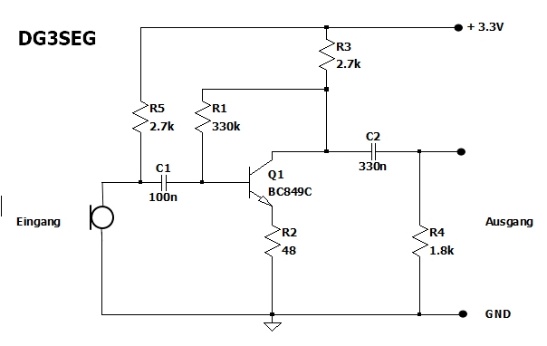
Was hatte er denn gefunden? Er hat den Ersteller eines Videos angeschrieben, der ihm freundlicherweise zwei Platinen seines Verstärkers zukommen hat lassen. Diesen Verstärker hatte Stavi analysiert und durchgemessen mit der Erkenntnis, dass dieser so nicht wirklich brauchbar ist. Es war ein zweistufiger Verstärker, der nahe an der Schaltfunktion betrieben wurde, aber nicht als schöner NF-Verstärker. So entfernte er alle Bauteile darauf, ich durfte für Ihn die zweite Stufe des Verstärkers mit der Säge abtrennen und dann entwickelte er selber einen Verstärker, der vom Arbeitspunkt und Leistung deutlich bessere Ergebnisse liefern wird (siehe Schaltung oben).
Die Platine war deswegen wichtig, weil diese auf eine Dicke von ca. 0,8mm vom Vorbesitzer heruntergeschliffen war, um überhaupt eine Chance zu haben, den Deckel wieder aufschrauben zu können. So kämpfte sich Stavi durch das Projekt, lötete die neuen Teile auf und war am Ende froh, als das Gerät wieder zu war. Das Ergebnis klang sehr gut und so war der Handfunk wieder zu gebrauchen.
Ich hatte dann die Idee, ein paar Platinen selber herzustellen, indem ich meine Platinenreste mit Vollkupferschicht mit einer Fräse bearbeite. Ob nun das Kupfer weggeätzt wird oder gefräst ist doch dasselbe Ergebnis, oder? Für SMD-Teile tatsächlich eine machbare Sache. Stavi erstellte mir ein Platinen-Layout, wie es passen könnte, das ich erst mal auf das notwendigste reduzierte und so umgestaltete, dass ich es überhaupt mit halbwegs vertretbarem Aufwand fräsen kann.


Das war nicht einfach, weil einen Fräser mit 1mm Durchmesser nicht so einfach per Auge zielsicher über die Kupferfläche zu steuern ist, sondern man muss sich auf die Skala am Trieb verlassen und sich dann Stück für Stück durcharbeiten. Die ersten drei Versuche gingen schief, aber dann wusste ich den Weg und bearbeitete mehrere Platinen. Ein wichtiger Punkt aber ist die Dicke. Meine Platinen sind wie jeder Standard 1,5mm dick. Diese musste ich dann von Hand auf 0,8 bis 1,0mm herunterschleifen, um überhaupt eine Chance zu haben, sie unter zu bringen. Mit Geduld und Spucke, angeschliffenen Fingernägeln und krampfartige Schmerzen im Finger habe ich dann bewerkstelligt.
Ein paar Tage später hatte Stavi die Platinen auf dem Tisch und lötete unter Lupe und Mikroskop die Bauteile auf. Wieder ein paar Tage später zurück bei mir gings ans Einbauen in das Gerät. Als Anschlussleitungen verwendete ich Kupferlackdrähte, die so dünn wie ein Haar sind. Ich weiß wirklich nicht, wie dick die sind, aber ich schätze dünner als 0,1mm. Praktisch daran, man muss den Lack nicht abkratzen, sondern einfach etwas länger an die Lötspitze halten und Lötzinn zuführen, dann sind die Enden verzinnt. So fand dann der Anschluss des Ausgangs an die Platine statt, die Kapsel hatte schon ähnlich dünne Leitungen mit Isolierung angelötet und den Pluspol realisierte ich mit einem separaten, isolierten Kabel. Es war schon eine Herausforderung, unter der Lupe nicht die Orientierung zu verlieren.
Der Einbau
Die Platine selber klebte ich mit dünnem, doppelseitigen Klebeband auf die Hauptplatine, die Kapsel mit meinem Superkleber Shoegoo im passenden Abstand an den richtigen Fleck. Jetzt kam die Trockenphase, die ich aus Sicherheitsgründen auf 2 Stunden ausgedehnte und dann sogar 3 Stunden dauerte, aber ich wollte ganz sicher verhindern, dass die Kapsel beim Zusammenbau verrutscht und womöglich nicht optimal an der Mikrofonöffnung sitzt.


Hurra, es ist gelungen! Alle Anschlüsse sind dran, der Probelauf zeigt, es tut!
Die ersten Tests zeigen, dass die Bauteildimensionierung von Stavi genau auf meine Stimme passte. Endlich habe ich dem kleinen Funkgerät eine gute Modulation eingehaucht, auch wenn ich es dicht vor meinen Mund halte. Rein vom Ergebnis würde ich es jederzeit nochmal machen. Aber der fiezelige Aufbau ist schon eine Hausnummer für sich.
Wer es nachbauen möchte, darf sich für detaillierte Infos gerne bei mir melden, ich helfe und unterstütze, soweit ich kann, aber ich habe nicht die Absicht, Auftragsarbeiten durchzuführen.
Auch bitte ich davon abzusehen, auf Stavi direkt zuzugehen, auch er hat Anderes in seiner Freizeit vor.
Wer damals die Lötübung für die Batterieanzeige gut bewältigt hat, der kann sich hier reinhängen und wird Erfolg haben. Wer mit SMD-Bauteilen der Baugröße Mickrig (08) bis Supermickrig (06) nicht zurechtkommt, der muss sich Hilfe holen oder vorher erst mal kräftig üben!
Hier die Entwicklung des Layouts, Weiterentwicklung und die Umsetzung der einzelnen Stufen:



Für alle, die einen Nachbau anstreben habe ich noch die Stückliste angefügt:

Es war eine ordentliche Herausforderung, hat aber Spaß gemacht. Die ganz kleine Platine dürfte mit ihrer Größe überall unter zu bringen sein, sodass der Einbauraum keine Rolle mehr spielt. Viel Erfolg beim Nachbau!
Bei Fragen bitte mich anschreiben, ihr findet meine Mailadresse auf der Homepage unter Stellvertretender OVV oder unter Kontakt über meine Homepage.
Grüße,
Stefan, DL8SFZ

Zur Zeit keine Kommentare